Ventilator centrifugal Vortice cu descărcare orizontală pentru extracția fumului fierbinte TORRETTA TRT 10 ED 4P
Ventilator centrifugal adecvat pentru extragerea fumului fierbinte la o temperatură de până la 400 ° C timp de 120 de minute.
Baza fabricată din oțel presat fosfat, pulbere epoxidică acoperită cu finisaj cu efect ciocan, garantând rezistență pe termen lung la agenții atmosferici.
Port de admisie conturat aerodinamic pentru o performanță optimă, conceput ca o singură unitate cu baza și calibrat pentru a optimiza debitul de aer.
Placă de montare a motorului din oțel cu tratament de suprafață cu galvanizare.
Capac de motor din oțel presat: suprafață murat și fosfatată, acoperită cu pulbere poliesterică și finisaj cuptor, gri, cu textura ciocanată.
Grilaje de prevenire a accidentelor și grilaj anti-pasăre (conform standardului UNI ISO 13857), care constă din inele de oțel sudate electric, cu finisaj acoperit cu pulbere epoxidică, culoare neagra.
Rotor centrifugal cu lame curbate curbate cu auto-curățare, echilibrate dinamic (UNI ISO 1940, punctul 1 - clasa 6.3), din oțel presat galvanizat electrolitic.
Motorul de curent alternativ Dahlander cu turație de 2 trepte, cu arborele de strunjire în rulmenți cu bile, dimensiuni conform standardului UNEL MEC, flanșa B5, auto-ventilatoare. Clasa de izolație a motorului H, cu ventilator metalic de răcire și glandă de cablu.
Debit maxim de aer: 890 m3 / h.
Cantitatea maximă de aer: 1100 m3 / h.
Echipat cu un condensator de pornire a motorului care trebuie instalat la distanță de ventilator astfel încât să nu poată fi deteriorat prin expunerea directă la căldură.
Suporturi de ochi din oțel galvanizat pentru operații de transport și ridicare / manipulare.
Cablu care garantează continuitatea conexiunii de împământare.
Sârmă de siguranță din oțel pentru ancorarea aparatului odată instalată.
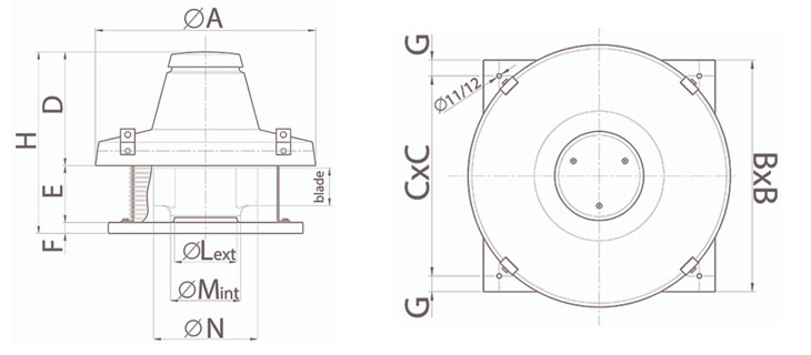
Dimensiuni:

| Dimensiunea A (mm) | 600 |
| Dimensiunea B (mm) | 410 |
| Dimensiunea C (mm) | 357 |
| Dimensiunea D (mm) | 309 |
| Dimensiunea E (mm) | 166 |
| Dimensiunea F (mm) | 38 |
| Dimensiunea G (mm) | 26,5 |
| Dimensiunea H (mm) | 513 |
| Dimensiunea L (mm) | 183 |
| Dimensiunea M (mm) | 187,5 |
| Dimensiunea N (mm) | 284 |
Date tehnice: |
|

| Alimentare | |
| Alimentare | Trifazic |
| Tip | |
| Tip | Ventilatoare pentru acoperis |































