Ventilator centrifugal Vortice cu descărcare orizontală TORRETTA TRT 20 E 4P
Baza fabricată din oțel presat fosfat, pulbere epoxidică acoperită cu finisaj cu efect ciocan, garantând rezistență pe termen lung la agenții atmosferici.
Port de admisie conturat aerodinamic pentru o performanță optimă, conceput ca o singură unitate cu baza și calibrat pentru a optimiza debitul de aer.
Capac de motor din oțel presat: suprafață murată și fosfatată, acoperită cu pulbere poliesterică și finisaj cuptor, culoare gri, cu textură ciocanată.
Grilaje de prevenire a accidentelor și grilaj anti-pasăre (conform standardului UNI ISO 13857), care constă din inele de oțel sudate electric, cu finisaj acoperit cu pulbere epoxidică, culoare neagră.
Rotor centrifugal cu lamele de aluminiu curbate în mod automat, echilibrate dinamic (UNI ISO 1940, punctul 1 - clasa 6.3) și butuc din aluminiu spintecat.
1 motor monofazic monofazat cu 1 fază, clasa de izolație F, cu ax de rotire în rulmenți dublu ecranați.
Debit de aer maxim: 2700 m3 / h
Motor și ventilator concepute pentru a funcționa la temperaturi ambiante mai mari de 65 ° C.
Ventilator de răcire pentru o mai bună disipare a căldurii
Suporturi de ochi din oțel galvanizat pentru operații de transport și ridicare / manipulare.
Cablu care garantează continuitatea conexiunii de împământare.
Sârmă de siguranță din oțel pentru ancorarea aparatului odată instalată.
Controler de viteză cu turbină.
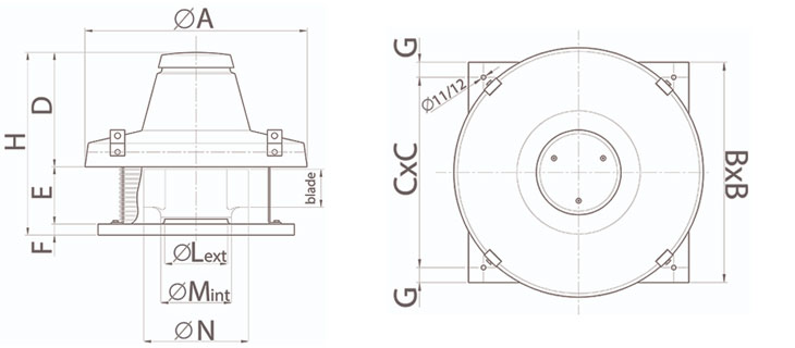
Dimensiuni:

| Dimensiunea A (mm) | 780 |
| Dimensiunea B (mm) | 550 |
| Dimensiunea C (mm) | 500 |
| Dimensiunea D (mm) | 398 |
| Dimensiunea E (mm) | 128 |
| Dimensiunea F (mm) | 38 |
| Dimensiunea G (mm) | 25 |
| Dimensiunea H (mm) | 564 |
| Dimensiunea L (mm) | Ø 219 |
| Dimensiunea M (mm) | Ø 236,5 |
| Dimensiunea N (mm) | Ø 359 |
Date tehnice: |
|
| Alimentare | |
| Alimentare | Trifazic |
| Tip | |
| Tip | Ventilatoare pentru acoperis |































